PDF(13532 KB)
PDF(13532 KB)
PDF(13532 KB)
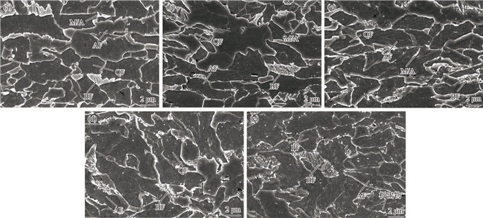
回火温度对X70Q管线钢DWTT性能的影响
({{custom_author.role_cn}}), {{javascript:window.custom_author_cn_index++;}}Effect of tempering temperature on DWTT properties of X70Q pipeline steel
({{custom_author.role_en}}), {{javascript:window.custom_author_en_index++;}}








| {{custom_ref.label}} |
{{custom_citation.content}}
{{custom_citation.annotation}}
|
/
| 〈 |
|
〉 |